- Mengetahui dan memahami mengenai D Flip-flop
Dapat mengaplikasikan atau membuat rangkaian D Flip-flop dengan menggunakan Proteus
- Power Supply DC

1. Resistor


Transistor adalah alat semikonduktor yang dipakai sebagai penguat, sebagai sirkuit pemutus dan penyambung arus (switching), stabilisasi tegangan, dan modulasi sinyal.
Konfigurasi Pin out:
Spesifikasi :
IC 7400 merupakan ic yang dibangun dari gerbang logika dasar NAND. Gerbang NAND menghendaki semua inputnya bernilai 0 (terhubung dengan ground) atau salah satunya bernilai 1 agar menghasilkan output yang berharga 1.
Spesifikasi IC 7400:
Tegangan Suply: 7 V
Tegangan input: 5.5 V
Beroperasi pada suhu udara 0 sampai +70 derjat
Kiasaran suhu penyimpanan: -65 derjat sampai 150 derjat celcius
Konfiugurasi pin:
- Vcc : Kaki 14
- GND : Kaki 7
- Input : Kaki 1 dan 2, 4 dan 5, 13 dan 12, 10 dan 9
- Output : Kaki 3, 6, 1
Datasheet IC 7400(NAND) :


Relay adalah Saklar (Switch) yang dioperasikan secara listrik dan merupakan komponen Electromechanical (Elektromekanikal) yang terdiri dari 2 bagian utama yakni Elektromagnet (Coil) dan Mekanikal (seperangkat Kontak Saklar/Switch).Fitur:
1. Tegangan pemicu (tegangan kumparan) 5V
2. Arus pemicu 70mA
3. Maksimum beban AC 10A @250/125V
4. Maksimum beban DC 10A @30/28V
5. Switching maksimum 300 operasi/menit
Motor listrik adalah alat untuk mengubah energi listrik menjadi energi mekanik. Alat yang berfungsi sebaliknya, mengubah energi mekanik menjadi energi listrik disebut generator atau dinamo.
Tegangan Terukur 5V DC
Spesifikasi item:
o Tanpa kecepatan beban 12000 ± 15% rpm
o Tidak ada arus beban =280mA
o Tegangan operasi 1.5-9V DC
o Mulai Torsi =250g.cm (menurut blade yang dikembangkan sendiri)
o mulai saat ini =5A
o Resistansi Isolasi di atas 10O antara casing dan terminal DV 100V
o Arah Rotasi CW: Terminal [+] terhubung ke catu daya positif, terminal [-] terhubung ke nagative
o daya, searah jarum jam dianggap oleh arah poros keluaran
o celah poros 0,05-0,35mm
Grafik Motor DC:

Lampu adalah sumber cahaya buatan yang dihasilkan melalui penyaluran arus listrik melalui filamen yang kemudian memanas dan menghasilkan cahaya.Datasheet:
9. Switch SPDT
Saklar atau lebih tepatnya adalah Saklar listrik adalah suatu komponen atau perangkat yang digunakan untuk memutuskan atau menghubungkan aliran listrik. Saklar yang dalam bahasa Inggris disebut dengan Switch ini merupakan salah satu komponen atau alat listrik yang paling sering digunakan. Hampir semua peralatan Elektronika dan Listrik memerlukan Saklar untuk menghidupkan atau mematikan alat listrik yang digunakan.
D Flip-flop
D flip-flop, juga disebut delay flip-flop, dapat digunakan untuk menyediakan penyimpanan sementara satu bit informasi. Gambar 10.39 (a) menunjukkan simbol rangkaian dan tabel fungsi dari edge-triggered negatif D flip-flop. Saat jam aktif, bit data (0 atau 1) yang ada di input D ditransfer ke hasil. Dalam D flip-flop Gambar 10.39, transfer data dari input D ke output Q terjadi transisi berjalan negatif (TINGGI-ke-RENDAH) dari input jam. Input D dapat memperoleh status baru
Gambar 10.39 (a) menunjukkan simbol rangkaian dan tabel fungsi dari D flip-flop yang dipicu tepi negatif. Ketika jam aktif, bit data (0 atau 1) yang ada di input D ditransfer ke output. Dalam D flip-flop Gambar 10.39, transfer data dari input D ke output Q terjadi pada transisi arus negatif (HIGH-to-LOW) dari input clock. Input D dapat memperoleh status baru saat jam tidak aktif, yang merupakan periode waktu antara transisi TINGGI ke RENDAH. D flip-flop dapat memberikan penundaan maksimum selama satu periode clock.
Tabel karakteristik dan peta Karnaugh yang sesuai untuk flip-flop D pada Gambar 10.39 (a) ditunjukkan pada Gambar 10.39 (c) dan (d) masing-masing. Persamaan karakteristiknya adalah sebagai berikut:
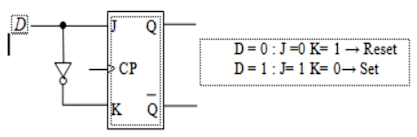
10.7.1 J-K Flip-Flop as D Flip-Flop
Gambar 10.40 menunjukkan bagaimana J-K flip-flop dapat digunakan sebagai D flip-flop. Ketika input D adalah logika '1', input J dan K masing-masing adalah logika '1' dan '0'. Menurut tabel fungsi J-K flip-flop, di bawah kondisi input ini, output Q akan masuk ke status logika '1' saat clock. Juga, ketika input D adalah logika '0', input J dan K masing-masing adalah logika '0' dan '1'. Sekali lagi, menurut tabel fungsi J-K flip-flop, di bawah kondisi input ini, output Q akan masuk ke status logika '0' saat clock. Jadi, dalam kedua kasus, input D diteruskan ke output saat flip-flop diberi waktu.
10.7.2 D Latch
Dalam kait D, output Q mengikuti input D selama input clock (juga disebut input ENABLE) TINGGI atau RENDAH, tergantung pada level clock yang diresponsnya. Ketika input ENABLE masuk ke level tidak aktif, output akan mempertahankan status logika sebelum input ENABLE menjadi tidak aktif selama seluruh periode waktu input ENABLE tidak aktif.
Flip-flop D tidak sama dengan kait D. Dalam D flip-flop, data pada input D ditransfer ke output Q pada transisi positif atau negatif dari sinyal clock, tergantung pada flip-flop, dan status logika ini ditahan pada output sampai kami mendapatkan transisi jam efektif berikutnya. Perbedaan antara keduanya diilustrasikan lebih lanjut pada Gambar 10.41 (a) dan (b) yang menggambarkan fungsi kait D dan flip-flop D.
Resistor
Resistor merupakan komponen elektronik yang memiliki dua pin dan didesain untuk mengatur tegangan listrik dan arus listrik. Resistor mempunyai nilai resistansi (tahanan) tertentu yang dapat memproduksi tegangan listrik di antara kedua pin dimana nilai tegangan terhadap resistansi tersebut berbanding lurus dengan arus yang mengalir, berdasarkan persamaan hukum Ohm
Rumus dari Rangkaian Seri Resistor: Rtotal = R1 + R2 + R3 + ….. + Rn
Rumus dari Rangkaian paralel Resistor: 1/Rtotal = 1/R1 + 1/R2 + 1/R3 + ….. + 1/Rn
Rumus resistor dengan hukum ohm: R = V/I
Cara menghitung nilai resistansi resistor dengan gelang warna :
1. Masukan angka langsung dari kode warna gelang pertama.
2. Masukan angka langsung dari kode warna gelang kedua.
3. Masukan angka langsung dari kode warna gelang ketiga.
4. Masukkan jumlah nol dari kode warna gelang ke-4 atau pangkatkan angka tersebut dengan 10 (10^n), ini merupakan nilai toleransi dari resistor.
Transistor merupakan salah satu Komponen Elektronika Aktif yang paling sering digunakan dalam rangkaian Elektronika, baik rangkaian Elektronika yang paling sederhana maupun rangkaian Elektronika yang rumit dan kompleks. Transistor pada umumnya terbuat dari bahan semikonduktor seperti Germanium, Silikon, dan Gallium Arsenide. Secara umum, Transistor dapat dibagi menjadi 2 kelompok Jenis yaitu Transistor Bipolar (BJT) dan Field Effect Transistor (FET).
Karakteristik dari masing-masing daerah operasi transistor tersebut dapat diringkas sebagai berikut:• Daerah Potong (cutoff):Dioda Emiter diberi prategangan mundur. Akibatnya, tidak terjadi pergerakan elektron, sehingga arus Basis, IB = 0. Demikian juga, arus Kolektor, IC = 0, atau disebut ICEO (Arus Kolektor ke Emiter dengan harga arus Basis adalah 0).• Daerah SaturasiDioda Emiter diberi prategangan maju. Dioda Kolektor juga diberi prategangan maju. Akibatnya, arus Kolektor, IC, akan mencapai harga maksimum, tanpa bergantung kepada arus Basis, IB, dan βdc. Hal ini, menyebabkan Transistor menjadi komponen yang tidak dapat dikendalikan. Untuk menghindari daerah ini, Dioda Kolektor harus diberi prateganan mundur, dengan tegangan melebihi VCE(sat), yaitu tegangan yang menyebabkan Dioda Kolektor saturasi.• Daerah AktifDioda Emiter diberi prategangan maju. Dioda Kolektor diberi prategangan mundur. Terjadi sifat-sifat yang diinginkan, dimana:
Gerbang OR, AND dan NOT adalah tiga gerbang logika dasar karena keduanya dapat digunakan untuk membangun rangkaian logika untuk ekspresi Boolean yang diberikan. Gerbang NOR dan NAND memiliki properti yang masing-masing dapat digunakan untuk mengimplementasikan perangkat keras rangkaian logika yang sesuai dengan ekspresi Boolean yang diberikan. Artinya, dimungkinkan untuk menggunakan hanya gerbang NAND atau hanya gerbang NOR untuk mengimplementasikan ekspresi Boolean apa pun.
Gerbang NAND atau disebut juga "NAND GATE" adalah jenis gerbang logika kombinasi yang memiliki dua input (Masukan) dan satu output (keluaran). Pada dasarnya gerbang NAND merupakan pengembangan atau kombinasi dari gerbang AND dan gerbang NOT "NAND = NOT AND". Untuk lebih jelasnya perhatikan simbol dan gerbang kebenaran gerbang NAND berikut.
Pada gerbang logika NAND, simbol yang menandakan operasi gerbang logika NAND adalah tanda bar (-) diatas variabel, perhatikan gambar diatas.
Perhatikan tabel kebenaran gerbang NAND. Cara cepat untuk mengingat tabelnya adalah dengan mengingat pernyataan berikut. "Gerbang NAND akan menghasilkan output logika 0 bila semua inputnya memiliki logika 1" sedangkan " Gerbang NAND akan menghasilkan keluaran logika 1 bila salah satu input atau semua input memiliki logika 0".
Secara singkat, cukup mengingat gerbang logika AND, karena output dari gerbang logika NAND merupakan kebalikan dari output gerbang AND.
Transistor Gerbang NAND
Secara sederhana, gerbang logika NAND 2 input dapat dibangun menggunakan RTL Resistor-transistor Switch yang terhubung bersama degan input yang terhubung langsung ke basis transistor, dimana transistor harus dalam keadaan cut-off "MATI" untuk keluaran Q.
Gerbang logika NAND dapat menghasilkan fungsi logis yang diinginkan dengan simbol berupa gerbang AND standar dengan tambahan lingkaran (biasa juga disebut sebagai "Gelembung Inversi" pada bagian output yang mana mewakili gerbang NOT) yang disebut sebagai operasi logika NAND.
Jenis Gerbang Logika NAND:
Berdasarkan gambar diatas ekspresi Boolean untuk gerbang NAND 4 input yaitu :
Q = A.B.C.D
Gerbang NOT merupakan gerbang di mana keluarannya akan selalu berlawanan dengan masukannya. Bila pada masukan diberikan tegangan ,maka transistor akan jenuh dan keluaran akan bertegangan nol. Sedangkan bila pada masukannya diberi tegangan tertentu, maka transistor akan cut off, sehingga keluaran akan bertegangan tidak nol.
Status logika Pengertian logis, benar atau salah, dari sinyal biner yang diberikan. Sinyal biner adalah sinyal digital yang hanya memiliki dua nilai yang valid. Dalam istilah fisik, pengertian logis dari sinyal biner ditentukan oleh level tegangan atau nilai arus sinyal, dan ini pada gilirannya ditentukan oleh teknologi perangkat. Dalam sirkuit TTL, misalnya, keadaan sebenarnya diwakili oleh logika 1, kira-kira sama dengan +5 volt pada garis sinyal; logika 0 kira-kira 0 volt. Tingkat tegangan antara 0 dan +5 volt dianggap tidak ditentukan.
LED atau singkatan dari Light Emitting Diode adalah salah satu komponen elektronika yang terbuat dari bahan semi konduktor jenis dioda yang mempu mengeluarkan cahaya. Strukturnya juga sama dengan dioda, tetapi pada LED elektron menerjang sambungan P-N (Positif-Negatif). Untuk mendapatkan emisi cahaya pada semikonduktor, doping yang pakai adalah galium, arsenic dan phosporus. Jenis doping yang berbeda menghasilkan warna cahaya yang berbeda pula.
Relay adalah Saklar (Switch) yang dioperasikan secara listrik dan merupakan komponen Electromechanical (Elektromekanikal) yang terdiri dari 2 bagian utama yakni Elektromagnet (Coil) dan Mekanikal (seperangkat Kontak Saklar/Switch). Relay menggunakan Prinsip Elektromagnetik untuk menggerakkan Kontak Saklar sehingga dengan arus listrik yang kecil (low power) dapat menghantarkan listrik yang bertegangan lebih tinggi. Sebagai contoh, dengan Relay yang menggunakan Elektromagnet 5V dan 50 mA mampu menggerakan Armature Relay (yang berfungsi sebagai saklarnya) untuk menghantarkan listrik 220V 2A.
Cara kerja Relay:
Setelah mengetahui pengertian serta fungsi dari relay, anda juga harus mengetahui cara kerja atau prinsip kerja dari relay. Namun sebelumnya anda perlu mengetahui bahwa pada sebuah relay terdapat 4 bagian penting yaitu electromagnet (coil), Armature, Switch Contact Point (saklar) dan spring. Untuk lebih jelasnya silahkan lihat gambar di bawah ini.
Kontak point relay terdiri dari 2 jenis yaitu:
- Normally Close (NC) yaitu kondisi awal sebelum diaktifkan akan selalu berada pada posisi close (tertutup).
- Normally Open (NO) yaitu kondisi awal sebelum diaktifkan akan selalu berapa pada posisi open (terbuka)
Berdasarkan gambar diatas, iron core(besi) yang dililitkan oleh kumparan coil berfungsi untuk mengendalikan iron core tersebut. Ketika kumparan coil di berikan arus listrik, maka akan timbul gaya elektromagnet sehingga akan menarik Armature berpindah posisi yang awalnya NC(tertutup) ke posisi NO(terbuka) sehingga menjadi saklar yang dapat menghantarkan arus listrik di posisi NO. Posisi Armature yang tadinya dalam kondisi CLOSE akan menjadi OPEN atau terhubung. Armature akan kembali keposisi CLOSE saat tidak dialiri listrik. Coil yang digunakan untuk menarik Contact Point ke posisi CLOSE umunnya hanyak membutuhkan arus llistrik yang relatif kecil.
Motor DC
Prinsip Kerja Motor DCTerdapat dua bagian utama pada sebuah Motor Listrik DC, yaitu Stator dan Rotor. Stator adalah bagian motor yang tidak berputar, bagian yang statis ini terdiri dari rangka dan kumparan medan. Sedangkan Rotor adalah bagian yang berputar, bagian Rotor ini terdiri dari kumparan Jangkar. Dua bagian utama ini dapat dibagi lagi menjadi beberapa komponen penting yaitu diantaranya adalah Yoke (kerangka magnet), Poles (kutub motor), Field winding (kumparan medan magnet), ArmatureWinding (Kumparan Jangkar), Commutator (Komutator)dan Brushes (kuas/sikat arang).Pada prinsipnya motor listrik DC menggunakan fenomena elektromagnet untuk bergerak, ketika 0arus listrik diberikan ke kumparan, permukaan kumparan yang bersifat utara akan bergerak menghadap ke magnet yang berkutub selatan dan kumparan yang bersifat selatan akan bergerak menghadap ke utara magnet. Saat ini, karena kutub utara kumparan bertemu dengan kutub selatan magnet ataupun kutub selatan kumparan bertemu dengan kutub utara magnet maka akan terjadi saling tarik menarik yang menyebabkan pergerakan kumparan berhenti.
Untuk menggerakannya lagi, tepat pada saat kutub kumparan berhadapan dengan kutub magnet, arah arus pada kumparan dibalik. Dengan demikian, kutub utara kumparan akan berubah menjadi kutub selatan dan kutub selatannya akan berubah menjadi kutub utara. Pada saat perubahan kutub tersebut terjadi, kutub selatan kumparan akan berhadap dengan kutub selatan magnet dan kutub utara kumparan akan berhadapan dengan kutub utara magnet. Karena kutubnya sama, maka akan terjadi tolak menolak sehingga kumparan bergerak memutar hingga utara kumparan berhadapan dengan selatan magnet dan selatan kumparan berhadapan dengan utara magnet. Pada saat ini, arus yang mengalir ke kumparan dibalik lagi dan kumparan akan berputar lagi karena adanya perubahan kutub. Siklus ini akan berulang-ulang hingga arus listrik pada kumparan diputuskan.
Light Emitting Diode atau sering disingkat dengan LED adalah komponen elektronika yang dapat memancarkan cahaya monokromatik ketika diberikan tegangan maju. LED merupakan keluarga Dioda yang terbuat dari bahan semikonduktor.
- Buka aplikasi Proteus
- Siapkan alat dan bahan yang diperlukan untuk membuat rangkaian
- Disarankan agar membaca datasheet tiap komponen terlebih dahulu
- Pasang Logicstate, Gerbang logika AND, Gerbang logika NOT, resistor, transistor NPN, relay, led, lampu, motor, ground, voltmeter DC, dan power supply seperti beberapa rangkaian dibawah
- Atur logicstate dan nilai resistor
- Coba dijalankan rangkaian apabila ouput hidup (led, lamp, motor) maka rangkaian bisa digunakan
1. Tentukanlah rangkaian yang membuat flip-flop JK berfungsi sebagai flip-flop D!
Jawaban:
Flip-flop D dengan flip-flop JK.
2.
Gambar di atas menunjukkan diagram sirkuit logika internal dari salah satu dari empat kait D dari empat bit D latch di IC 7475.
(a) Berikan argumen untuk membuktikan bahwa output Q akan melacak input D hanya jika input ENABLE adalah TINGGI.
(b) Juga, buktikan bahwa keluaran Q memiliki nilai yang dimilikinya sebelum Input ENABLE menjadi RENDAH selama input ENABLE adalah RENDAH.
Solusi:
(a) Jika input ENABLE TINGGI, gerbang AND atas diaktifkan sedangkan gerbang AND bawah diaktifkan dengan disabilitas. Output dari gerbang AND atas dan bawah adalah D dan logika ‘0’ masing-masing. Mereka merupakan masukan dari gerbang NOR yang keluarannya adalah D. Oleh karena itu, keluaran Q adalah D.
(b) Ketika input ENABLE menjadi RENDAH, gerbang AND atas dinonaktifkan (dengan outputnya menjadi logika ‘0’) dan gerbang AND yang lebih rendah diaktifkan (dengan outputnya menjadi sama dengan output Q. Karena umpan baliknya). Output gerbang NOR dalam hal ini adalah Q, yang berarti output Q. Menahan statusnya selama input ENABLE LOW.
1. Mengapa masukan J dan K flip-flop disebut sebagai masukan pengendali!
Jawaban:
- Masukan J dan K disebut masukan pengendali karena kedua masukan ini yang menentukan keadaan yang harus dipilih oleh FF pada saat pulsa clock tiba (dapat pinggiran positif atau negatif tergantung pada jenis FF-nya)
- JK-FF berbeda dengan D-FF karena JK-FF masukan clock adalah masukan yang di cacah dan masukan J dan K adalah masukan yang mengendalikan FF itu.
2. Bagaimana tutorial sebuah rangkaian RS flip-flop dan prosesnya!
Solusi :
Ini adalah jenis multivibratorbistable, dengan dua status stabil.
Merevisi perilaku transistor:
- Ketika basis transistor terhubung ke nol volt, itu terputus dan tegangan kolektornya naik ke tegangan suplai. Lihat gambar merah untuk TR1, dan biru untuk TR2.
- Ketika basis dihubungkan ke tegangan suplai melalui resistor nilai rendah, transistor dihidupkan, dan menjadi jenuh. Volt kolektornya turun ke nilai yang sangat rendah.
- Lihat nilai biru untuk TR1 dan merah untuk TR2.
- Jika SET diambil rendah (nol volt) maka TR1 dimatikan, dan tegangan kolektornya menyalakan TR2. Q tinggi dan batang Q rendah.
- Jika SET sekarang dilepaskan dari rel volt nol, kedua transistor akan tetap dalam keadaan ini.
- Untuk membuat status perubahan flip-flop, RESET sekarang harus diturunkan.
- Tr2 sekarang akan mati dan Tr1 hidup.
- Q akan rendah dan Q bar tinggi.
- Flip-flop akan berhenti dalam kondisi ini sampai SET kembali rendah lagi.
- Sirkuit ini dikenal sebagai SR flip-flop.
A. Flip Flop tipe Quad D dengan Clear
B. Flip Flop tipe D ganda dengan Preset dan Clear
C. Flip Flop tipe Octal D dengan Clear
D. Flip Flop tipe ganda HexD-type
E. Flip Flop dengan Master Reset
Jawaban: C

2.
Gambar di atas merupakan flip-flop bertipe...
A. SR flip-flop
B. JK flip-flop
C. D flip-flop
D. T flip-flop
E. S flip-flop
Jawaban: B
Karena keadaan undefined di SR flip flop, flip flop lain diperlukan dalam elektronik. JK flip flop merupakan perbaikan dari SR flip flop dimana S = R = 1 tidak menjadi masalah. Kondisi masukan J = K = 1, memberikan keluaran yang membalik keadaan keluaran. Namun, hasilnya sama ketika seseorang menguji rangkaian secara praktis.
Dengan kata sederhana, Jika input data J dan K berbeda (yaitu tinggi dan rendah) maka output Q mengambil nilai J pada clockedge berikutnya. Jika J dan K sama-sama rendah maka tidak ada perubahan yang terjadi. Jika J dan K sama-sama tinggi di tepi jam maka output akan beralih dari satu keadaan ke keadaan lainnya. JK Flip Flop dapat berfungsi sebagai Set atau Reset Flip flop.
Video Rangkaian 1 : klik disini
Video Rangkaian 2 : klik disini
Video Rangkaian 3 : klik disini
Video Rangkaian 4 : klik disini
Video Rangkaian 5 : klik disini
File Rangkaian 1: klik disini
File Rangkaian 2 : klik disini
File Rangkaian 3 : klik disini
File Rangkaian 4 : klik disini
File Rangkaian 5 : klik disini
HTML dan Materi : klik disini
Datasheet resistor : klik disini
Datasheet transistor NPN : klik disini
Datasheet motor DC : klik disini
Datasheet relay : klik disini
Datasheet led : klik disini
Datasheet Gerbang NAND : klik disini
Datasheet Gerbang Inverter (NOT) : klik disini











































Tidak ada komentar:
Posting Komentar